1、二氧化鈦原料的沸騰氯化
氯化過程的目的是通過TiO2的原料與氯氣和石油焦發生反應而產生TiCl4(圖1)。在高溫下,氯化發生是放熱反應,具有相當快的動力學。沸騰氯化床作為反應容器特別適合于這種固氣反應條件:即連續的工藝過程,較高的能效和高的生產率。

圖1沸騰氯化
2、二氧化鈦氯化原料
僅從TiO2含量的角度來看,天然金紅石,氯化鈦渣,UGS?和人造金紅石都可以被認為是高品位氯化法原料。然而,從目前本研究的結果顯示,由于不同的鈦原料的物理特性,礦物相形態和雜質組份和含量,這些鈦原料在大型沸騰氯化床中的行為和特性也不盡相同。
3、實驗方法
3.1實驗裝置
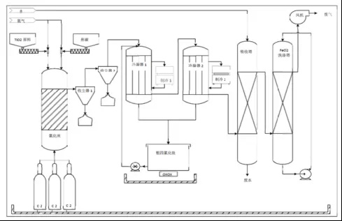
本研究中的氯化試驗是在力拓鈦鐵技術研發中心的氯化中試裝置中進行的(圖2)。氯化中試裝置由圓柱形石英管制成,總高195cm,床層反應區內徑10cm。上部空域內徑闊增至15cm,以降低氣體速度和顆粒夾帶。否則會由于沉降分離高度過矮導致過量的顆粒夾帶流失。
用石英制成氯化反應器的最大優勢在于,氯化床運行期間可直接觀察到其運行情形,特別對判斷床層的流化狀態的好壞,提供了第一手資料(圖3)。
純氯氣由三個68kg氣罐并聯連接,以確保有足夠的流量供應。在線質量流量計用于測量氯氣的流量,并由精密轉子流量計校正。氯氣通過反應器底部的多孔石英材質的布風板進入氯化床。

圖2力拓鈦鐵氯化中試裝置框架圖

圖3石英材質的氯化反應器可觀察床層流化狀態
3.2試驗步驟
本試驗步驟是本著盡可能代表和模擬工業化大型氯化過程而開發設計的。在本文以下所呈現的結果都是根據力拓鈦鐵氯化標準試驗步驟所獲取的。
對于給定的二氧化鈦原料或混料,氯化試驗是一個連續運行8h的過程。其工藝條件列于表1。

表1氯化試驗標準操作條件
①表觀氣流速度(m/s),實際上就是氯氣的流量(Am3/h)除以氯化床的橫截面面積(m2)。
當氯氣通氣速率設定為5.1kg/h時,床層底部的氯氣流速就能達到0.25m/s。對本文所測試的所有的原料來說,這樣的速度無論是在中試裝置或工業化裝置都足以實現在床內正常的流態化。
造床所加入的6kg原料可達到0.8m的床層高度。此床層的高度可以確保在中試裝置標準操作條件下,氯氣在床內完全消耗。工業化氯化床層高度通常在4~6m范圍內,這意味著,對于相同的氯氣速度(0.25m/s),中試裝置床層完全更新的頻率大約是工業化氯化床層(5m)的6倍。換言之,從一個床層的化學組份的變化來觀察,8h的中試氯化操作時間約等同于在工業大型氯化床兩天的運行時間。
床層中的初始焦炭含量為30%。一定的富余碳含量可確保在整個試驗期間有足夠的炭源存在。
床層的反應溫度設定為1050℃,這被認為是工業化氯化床具有代表性的操作溫度。氯化反應是在微負壓條件下進行,以避免氣體泄漏。床層上部的自由空域壓力控制在(-0.5kPa)。
試驗前,將造床原料加入氯化床內。然后在氮氣保護氣氛下被加熱,直至床層溫度達到1000℃左右。此時,停止通入氮氣,轉駁為氯氣(此時對應于該氯化試驗的開始時間)。此后,床層溫度迅速升高達到1050℃。
在整個試驗過程中,二氧化鈦原料和焦炭以連續方式不間斷地被加入到反應床中。鈦原料和焦炭的進料速率是基于物料平衡的原理由化學計量學和一定的假設(如夾帶損失,反應氣體中CO/CO2的比率等)計算的。這些結果被用作TiO2原料和焦炭進料速率初始值的設定點。然而,隨著試驗的進行,對床層的壓降和床層高度進行連續地監控。必要時,實時對TiO2原料和/或焦炭的進料速率進行調整,以保持床層高度盡可能保持恒定。典型的原料進料速率約為3kg/h,焦炭為0.6kg/h。
在試驗過程中,由嚴密監測床內壓力的變化,可檢測到管道和設備中潛在的結垢。在一些關鍵部位(如氯化床出口和一級旋風收塵器之間的管道)進行定期清理,以防止堵塞。
一旦達到8h氯化時間時,停止通入氯氣,轉駁為氮氣。氯化床在氮氣保護氣氛下逐漸降溫。然后收集所制得的粗四氯化鈦,床內和旋風收塵器里的固體用于進一步分析化驗。因此,可獲得整個氯化過程詳細的物料平衡。
3.3二氧化鈦原料和焦炭
本文針對主要的二氧化鈦氯化原料,即天然金紅石、人造金紅石(Becher型)、氯化渣和UGS?的氯化性能,進行了研究。研究中所使用的氯化原料的TiO2含量以及其他主要雜質列于表2中。一種典型的石油焦用于本氯化過程中的還原劑。

表2TiO2原料試樣的化學成分%

圖4各類二氧化鈦原料的粒徑分布

圖5焦炭的粒徑分布
4、試驗結果和討論
4.1二氧化鈦夾帶損失及對收率的影響
二氧化鈦原料的夾帶損失是目前氯化法工廠TiO2總收益率降低的最主要的因素之一。在本研究中,TiO2夾帶損失是通過分析由旋風除塵器中所收集到的未反應的TiO2的量來進行評價的。其結果示于圖6。
由圖中可見,TiO2夾帶損失率最低的為氯化鈦渣。氯化渣是一種結構致密而顆粒度較粗的產品(見圖7)。在本試驗條件下,其TiO2夾帶損失僅為2.1%。升級氯化渣UGS?也是一種顆粒度較粗的產品,但它較氯化渣有一定的孔隙率,因而夾帶損失也稍高一些(2.5%)。天然金紅石雖然致密但其顆粒度通常較小,從而導致了較高的二氧化鈦夾帶損失(3.0%)。結果表明,人造金紅石是所有鈦原料中二氧化鈦夾帶損失最大的,高達6.9%。這種高損耗是基于這樣的事實:人造金紅石除了顆粒度較細外,還由于在升級過程中產生的高孔隙率,使其在氯化過程中容易被粉化,從而導致了更多的TiO2粒子夾帶損失。

圖6各類二氧化鈦原料Ti02夾帶損失率

圖7各類二氧化鈦原料的物理特性與夾帶損失
4.2熔融氯化物在床層中的累積及對氯氣溢出的影響
某些金屬氯化物,特別是氯化鈣(CaCl2)和較小程度上的氯化鎂(MgCl2)具有很高的沸點,因此可能會在床層中沉積下來。由于鈣鎂氯化物在正常氯化工作溫度下為液體(圖8),這就產生了潛在的問題:如果熔融氯化物的濃度高到一定程度時,流化床黏度就會急劇上升,最終導致床層非流態化,即常說的死床。

圖8各種氯化熔點和沸點
本研究包括了四種具有低CaO含量(<0.15%)的主要原料(見表2),也使用了具有較高CaO含量(0.2%~0.5%)的合成試樣。圖9顯示了在試驗結束時,床層中CaCl2的濃度與原料中CaO含量的關系。明顯地,隨著鈦原料中CaO含量增加,床層中的CaCl2的濃度也隨之增高。如圖10所示,MgCl2和MgO也有類似的趨勢。然而,因為MgCl2的蒸汽壓明顯大于CaCl2的蒸汽壓(圖11),在同樣操作條件下,氯化床層可容忍較高的MgO含量。
在整個中試過程中,觀察床層的流態化的狀況是本研究的重點之一。當床層中熔融氯化物的含量維持在2%以下時,未觀察到流態化的問題;當床層中熔融氯化物達到2%以上時,就可能會出現流態化異常的現象。當床層中熔融氯化物達到3%以上時,會觀察到有些結疤物的形成(圖12)。這種結疤物,直徑約為2~3cm,不能流化,從而導致在床層中形成死區。當有死區存在時,氯氣的溢出就非常可能發生。這點也是在試驗過程中觀察到的。

圖9床層中CaCl2的濃度與原料中CaO含量的關系

圖10床層中MgCl2的濃度與原料中MgO含量的關系

圖11氯化反應溫度范圍中,各種主要氯化物的蒸汽壓
為了避免這些問題,氯化物原料中的CaO和MgO的含量必須保持在較低的水平,一般要求CaO低于0.15%,MgO低于1.5%。

圖12氯化床中觀察到的結疤物,直徑約為2~3cm
4.3惰性氧化物在床層中的富集及對床層反應活性的影響
相對于其他可氯化的雜質,二氧化鈦原料中有相當部分的SiO2和一部分ZrO2不會被氯化。這些氧化物通常被簡稱為“惰性物”。取決于惰性物顆粒度的大小和礦物組份的特點,它們在氯化床中會逐漸積累,并可達到很高的濃度。當硅鋯氧化物達到一定極限時,流化床層的化學反應活性就會受到很大影響,所以必須采取清床的措施以更新床層的活性以維持氯化生產正常繼續進行。
圖13表明了各種鈦原料中的SiO2在氯化過程中的帶出率。這些結果是通過分析從旋風分離器收集到殘渣里的SiO2而獲得的。對于氯化渣和UGS?,進入氯化床中的SiO2約有2/3的量被反應產物氣體夾帶出氯化床。而對于天然金紅石和人造金紅石,SiO2被夾帶出床外的量卻低于50%。

圖13SiO2相夾帶出床外

圖14各類二氧化鈦原料的物理特性與SiO2在床程中的累積
圖14所示,在天然金紅石和人造金紅石中,SiO2和ZrO2多以離散的顆粒存在。這些雜質顆粒是在鈦鐵礦選礦過程中未被分離出去而殘留下來的。由于其尺寸較大,這些顆粒大多會積聚在氯化床內,而不太可能被TiCl4氣體夾帶出床外。另一方面,高鈦渣和UGS?中的SiO2和ZrO2是以嵌入型微細形態分布在板鈦石或黑鈦石相中。在二氧化鈦相被氯化過程中,SiO2和ZrO2微細條就從鈦相里分離開來。由于它們的尺寸非常微細,很容易被反應產物氣體帶出氯化床。所以,當以高鈦渣和UGS?作為原料進行氯化時,所產生的惰性物的積累率要低得多,床層保持化學活度的時間就長得多,清床的頻率也就會低得多,保證了氯化生產長期順利地進行。
5、結論
本文研究了天然金紅石、人造金紅石、氯化渣和升級氯化渣UGS?在氯化過程中的行為及特性。
中試氯化裝置的試驗結果表明,氯化物原料的物理特性和化學雜質對大型沸騰氯化過程中的關鍵操作參數有著顯著的影響。最值得重視的研究結果總結如下:
(1)氯化渣和升級氯化渣UGS?具有最低的二氧化鈦夾帶損失的特性,這得益于它們較粗的顆粒度和較高的致密的物相結構。由于人造金紅石顆粒度細和孔隙率高,其二氧化鈦夾帶損失最大。
(2)氯化原料中CaO和MgO的含量必須要低,以避免熔融氯化物在床層中過量積累。當床中熔融氯化物濃度高于2%時,就可能有固體結疤物的形成,從而導致流化狀態惡化,死床以至氯氣溢出。
(3)氯化渣和升級氯化渣UGS?中的SiO2是以嵌入型微細形態分布在基相中,容易被夾帶出床外。而天然金紅石和人造金紅石中的SiO2卻是以離散的顆粒形式存在,由于其較大的顆粒度,趨于在氯化床中積累而降低床層的反應活性。這對于氯化床長期連續運行是不利的。