
一、加工難點分析
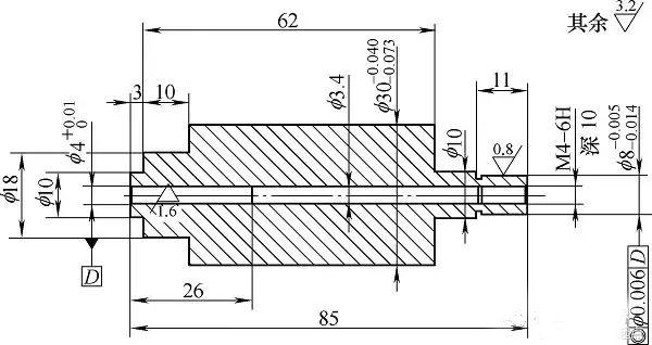
有一批來自某光機所的生產任務,該任務無論在加工材料、還是在加工精度上,都是一種全新的挑戰,其中凸透鏡旋轉軸(見圖1)的加工存在以下難題:
1、凸透鏡旋轉軸采用的是鈦合金材料,由于其強度大、硬度高,加工時極易產生表面硬化層,而且材料導熱系數小、彈性模量小,切削時加工表面的回彈量很大,造成刀具后刀面的劇烈摩擦、粘附和粘結磨損。
2、在保證外形加工精度的同時,零件兩端同軸度要求0.006mm,這對于現有機床來說,幾乎是難以達到的。因為現有機床在啟動后,自身主軸跳動就>0.01mm,在這樣的機床上完成加工任務難度可想而知。
3、零件外形和孔的尺寸精度要求都非常高,分別為0.005mm和0.01mm,要求表面粗糙度值Ra=0.8μm。正常情況下實現該圖樣要求需要在磨床上加工才能得以完成。由于分廠內沒有磨床設備進行精密加工,于是該任務必須由車床來完成。

加工前首先對圖樣進行了仔細的研究,分析了多種加工方案,最終決定采取如下方法進行加工。
二、工藝參數的選擇
根據鈦合金材料特性,優選強度性能高、耐磨損性能較好、牌號為YW系列的刀具材料進行加工。
1、刀具參數:選用主偏角為90°的正反外圓偏刀和橫槽車刀各一把。在保證刀具切削強度的同時,為減小切削阻力,防止材料在切削過程中過熱變形,刀具前角選擇較大的20~25°。為避免刀具后刀面在切削過程中與零件表面的急劇摩擦、粘結,刀具后角選擇為5~8°。
2、切削參數:由于鈦合金材料導熱系數低、彈性模量小,加工過程中易產生粘結,所以在加工中切削參數值不易設置過大,主軸轉速選擇在350~500r/min,不宜過高。背吃刀量和進給量粗車時選擇大一些,精車時選擇小一些。
三、加工工藝方法
1、粗車:首先使用橫槽車刀將零件兩端外形進行粗車(見圖2),單邊留余量0.5mm。由于橫槽車刀切削過程中阻力小、易斷屑,所以使用橫槽刀對兩端外形粗車效果較好。但由于鈦合金材料在加工中極易熱變形,所以在切削過程中必須使用切削液進行充分冷卻。

2、半精車:待零件徹底冷卻后,再使用90°外圓偏刀將零件的基準外圓車出,通過軟爪夾持零件外形,利用微米杠桿表校正零件外形(見圖3),使圓跳動達到0.005mm以內,對零件一頭進行加工,不能一次加工到位,單邊留余量0.1~0.2mm。

3、精車:
①零件外形余量切除后,鉆孔、鏜孔,保證尺寸和精度要求。再次校正零件外形,保證尺寸精度在0.005mm以內,精車外形留余量0.05mm。由于雙頂以兩端內孔為定位基準,且零件最終精車前的外形余量較小(0.05mm),所以鉆孔和鏜孔與精車外形在一次裝夾找正中完成,并做好孔口倒角,為下一道雙頂工序做好準備。
②在機床上車一頂尖,將零件通過雙頂的方法,使用正反偏刀對兩頭外形進行精車(見圖4),拋光零件外形,達到表面粗糙度值Ra=0.8μm的要求。
中國電子科技集團第三十八研究所
王韶平


